1.INTRODUCTION Our compang is a trustworthy one in Yueqing It's a manufacturer with strong econ-omy in Liushi town that is called"Electrical KIngdom".WMe import and produce German ABB company's advanced products.-M611 se-ries electrical motor protection switch.It has more good points than D25 air switch,3VE moulded circuit breaker etc.It's high-precision,little volume,light,high technology.Machanical life reaches 50-70 ten thousand times.It's in low price.Our products are need for mine,machinery,chemical,power,textile industry etc.
2.APPLICATION the products conform to the standard of JEC 282-1 IEC157-1.VDE0660.IEC947-2.IEC947-4-1.IEC947-5-1.They are used for the circuit of AC voltage-660V.DC voltage-440V,curreut0.1-40A Used for protection of electrical motor's overload and breaker.and also being start of electrical motor.In order to enlarge the range of use,we produce twenty-eight attach-ments for you to choose.For example,vdtage protection,separating unbutton leakage explode protecting,opening door type circuit breaker in adding power,and sealed Fitting case,pan-el type fitting,track fitting panel,operating key with lock and all kinds of special terminals.
3.NORMAL OPERATING CONDITION (1).aLTITUDE BELOW 2000METRES. (2).bASE SWITCH NO MORE+50¡æ,NO LESS-25¡æ 0.1¡ª16a SWITCH WITH SEALED FITTING CASE NO MORE+¡æ NO LESS-25¡æ (3).Install place:Average max humidity of wettest month,no more than 90%.this month average lowest temp,no more than 25¡æ. (4).Install direction as you like. (5).Permit pulse strength Ordinary products 5g(11ms) High pause products 30g(6ms) (6).Permit vibration intensity Ordinary products:5-13Hz range¡À1mm 13-150Hzlg High vibration products:5-30Hz range ¡À1.6mm 30-200Hz 5g
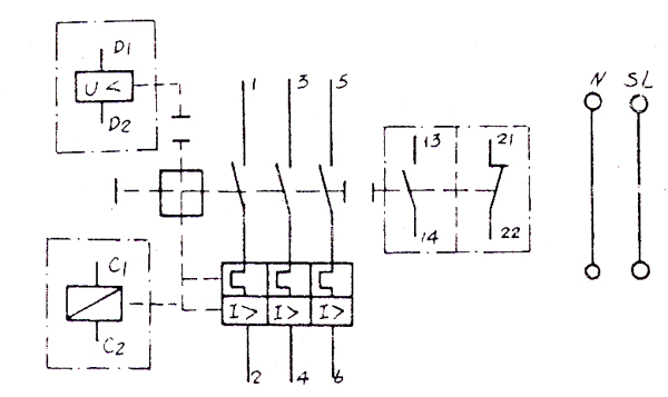
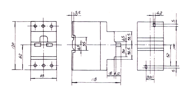
4.PRODUCT PARTS Base type switch is mde up of operating part,unbutton,plug,putting arcdevice,insulating base,out muse etc.
5.MAIN TECHNOLOGY DATA (1)Main circuit limit 3 poles (2)Can be fitted double components.use conve-nientlg. (3)Rated insulating voltage Vi-660V (4)Rated current Ith 40A (5)Rated circuit connection and power breaket0.1A-16A 380V COS¦µ=0.95 iCN=1.5kA o-t-co 660V COS¦µ=0.95 iCN=0.75kA o-t-co 20A-40A 380V COS¦µ=0.90 iCN=13.0kA o-t-co 660V COS¦µ=0.90 iCN=1.0kA o-t-co 40-63A 380V COS¦µ=0.5 iCN¡Ü10kA o-t-co 660V COS¦µ=0.9 iCN¡Ü1kA o-t-co (6).control 3 phases mouse-cage tpye electrical motot power(1500 turns/mm 50Hz)
M611 type MOtor Protection Switch specification(A) |
Current Control rang(A) |
Power KW |
| 220V |
380V |
660V |
| 0.16 |
1.01¡«0.16 |
£ |
£ |
£ |
| 0.25 |
0.16¡«0.25 |
£ |
0.06 |
£ |
| 0.40 |
0.25¡«0.40 |
0.06 |
0.09 |
£ |
| 0.63 |
0.40¡«0.63 |
0.09 |
0.12 |
£ |
| 1.0 |
0.63¡«1.0 |
0.12 |
0.25 |
£ |
| 1.6 |
1.0¡«1.6 |
0.25 |
0.55 |
£ |
| 2.5 |
1.6¡«2.5 |
0.37 |
0.8 |
£ |
| 4.0 |
2.5¡«4.0 |
0.75 |
1.5 |
£ |
| 6.3 |
4.0¡«6.3 |
1.5 |
2.5 |
3 |
| 10 |
6.3¡«10 |
2.5 |
4 |
4 |
| 16 |
9.5¡«16 |
4.0 |
7.5 |
5.5 |
| 20 |
13¡«20 |
5.0 |
9 |
7.5 |
| 25 |
19¡«25 |
5.5 |
11 |
7.5 |
| 32 |
24¡«32 |
7.5 |
15 |
11 |
| 40 |
30¡«40 |
9 |
18.5 |
15.0 |
| 63 |
40¡«63 |
15 |
30 |
22 |
| 80 |
63¡«80 |
18.5 |
40 |
30 |
Note:If it used for crane or for a long time,you may choose stronger rated current switch.
(7).DC rated operating current(3 poles)
| DC voltage |
60 |
110 |
220 |
| DC1 rated operating Current |
6.6 |
6.6 |
6.6 |
| DC2/3 rated operating Current |
1.87 |
1.87 |
1.87 |
| DC4/5 rated operating Current |
1.87 |
0.80 |
0.38 |
(8)Machanical life: Ie¡Ü17A 500thousand times life:Ie£¾17A 100thousand times
(9).Electrical life: Ie¡Ü17A AC3 150 thousand imes Ie£¾17A AC3 20 thousand times
(10)Auxiliary plug current Ith 6A
| AC11 |
Rated operating V |
220 |
380 |
500 |
|
| Rated operating A |
3.5 |
2.5 |
1 |
|
| DC11 |
Rated operatingV |
60 |
110 |
220 |
440 |
| Rated operating A |
3 |
2 |
0.6 |
0.1 | (11)Unbutton operating feature
 Operating feature line is in the middle of+20¡æ temp line.Line K is from the beginning of cold state.Line W is from the eginning of warm state.
| Whole current |
1.05 cold |
1.2 hot |
6 cold |
11¡«17 |
| operating time |
no operating |
<2 hour |
>5 second |
momment | When white line is +20¡æ,red line is +40¡æ,temp coefficient for the following;
| Environ temp ¡æ |
-25 |
-20 |
-10 |
0 |
+10 |
+30 |
+40 |
+50 |
| Temp amend coeff |
0.81 |
0.82 |
0.85 |
0.89 |
0.94 |
1.05 |
1.12 |
1.19 |
Electrical motor rated operating current times temp amend coefficient,you'll get current numeral value of the switch unbuttton.Its inertia T,II also be fit for crane.
(12)Voltage low unbutton
| Start value |
release value |
power consumption |
| Attract |
keep |
| ¡Ý85%Uc |
35-75%Uc |
3.5VA |
2.5VA | (13)Separating umbutton
| Start value |
Load¡¤ED |
power consumption |
| Attract |
keep |
| ¡Ý70%Uc |
100%Uc |
3.5VA |
2.5VA |
(14)Choosing the circuit protection fuse.When 0.16-16A Switch's mounting place current£¾1.5KA,current should be fit for IEC292-1C,Fuse(NT00)core's specification A.
| Unbutton current A |
Main circuit |
Auxi circuit |
660V¡« g1 |
500V¡« g1 |
380V¡« g1 |
220V¡« g1 |
500/380/220 V¡« g1 |
| 0.1¡¤¡¤¡¤0.4 |
Needn¡¯t |
Needn¡¯t |
Needn¡¯t |
Needn¡¯t |
10 |
| 0.4¡¤¡¤¡¤0.63 |
4 |
| 0.63¡¤¡¤¡¤1.0 |
6 |
| 1.0¡¤¡¤¡¤1.6 |
10 |
10 |
| 1.6¡¤¡¤¡¤2.5 |
16 |
16 |
| 2.5¡¤¡¤¡¤4.0 |
25 |
25 |
25 |
| 4.0¡¤¡¤¡¤6.3 |
35 |
35 |
35 |
35 |
| 6.3¡¤¡¤¡¤10 |
Nopermit |
50 |
50 |
50 |
| 10¡¤¡¤¡¤16 |
50 |
50 |
50 |
(15)Connection wire
| Switch rated current A |
¡Ü6.3 |
1¡¯0 |
16.20 |
25 |
32.40 |
| wire section mm2 |
¡¯1 |
1.5 |
2.5 |
4 |
6 |
| Terminals |
UT1-4 |
UT1.5-4 |
UT2.5-4 |
¢Ù |
¢Ú |
Choose our factory's 4mm2 special terminalUT4 Choose our factory's 6mm2 special terminal UT6
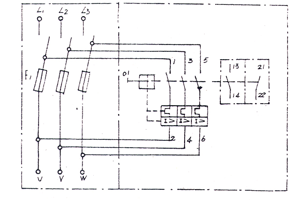
6CIRCUIT CONNECTION FIG
 Electrical motor protection switch with auxiliary plug Hs,low-V unbutton UA and separating one AA,terminal SL and N
 Be used for controlling signal phase AC or DC load's M611 type motor protection switch.
 Having M611"V185" load switch for monitoring fuse,it can protect fuse. 63Ainstallation measure

7.KINDS OF PRODUCTS AND OR-DER:
 Table1
| unbutton rated current |
0.16 |
0.25 |
0.40 |
0.63 |
1.0 |
1.6 |
2.5 |
4.0 |
6.3 |
10 |
16 |
20 |
25 |
32 |
40 |
63 |
80 |
| current control range(A) |
0.1 ¡« 0.16 |
0.16 ¡« 0.25 |
0.25 ¡«0.40 |
0.40 ¡« 0.63
|
0.63 ¡« 1.0 |
1.0 ¡« 1.6 |
1.6 ¡« 2.5 |
2.5 ¡« 4.0 |
4.0 ¡« 6.3 |
6.3 ¡« 10
|
9.5 ¡« 16 |
13 ¡« 20 |
19 ¡« 25 |
24 ¡« 32 |
30 ¡« 40 |
40 ¡« 63 |
63 ¡«80 |
| code |
05 |
09 |
13 |
17 |
21 |
25 |
29 |
33 |
37 |
42 |
46 |
50 |
54 |
58 |
62 |
66 |
70 | Table2
| Aux plug |
Without |
1on + 1loff |
2on |
2off |
| code |
0 |
4 |
5 |
6 | Table3
| Switch componets |
|
| ordinary base switch |
V0 |
| lasting high pause vibration type swicth |
V2 |
| ordinary base switch + Fitting panel |
V3 |
| ordinary base switch + panel type socket |
V41 |
| ordinary base switch + sealed plastic case |
V42 |
| low volt unbutton switch + big sealed plastic case |
V43 |
| ordinary base switch + machine type open door key |
V81 |
| Base type switch used for monitoring fuse |
V185 |
| Base type switch for crane specially |
Q | If you want to order the products,you may ei-ther use order number or add some words
Low voltage unbutton and separating unbutton's spdcification.
| Freguency |
Rated operating voltage (V) |
| 50 |
24 |
36 |
42 |
127 |
220 |
380 |
415 |
500 |
660 |
Electrical motor protection switch for crane type M611 switch designed by national crane walk's reguire and its feature: (1)A.B.Cphases rated current is the same Q3,unbotton rated current code still stand for it's current. (2)A.C phases rated current are the same,B phase rated current isn't same being Qz,unbotton rated current's code stand for A.C phase rated current.B phase's rated current's code,please write in Q2(JB phase rated current should be¡ÜA.C Phase rated current) eg¢ÙM611-4234 Q3 A.B.C 3 phases rated current are 10A ¢ÚM611-4234Q2 29 A.C phases are 10A,B phase is 2.5A Machine type open door breaker's direction: We used bearing connection(it's length Zoo mm-1000mm) with self-locked devide,when switch is used for panel type mount,it's case door will be open and switch turn off auto matically. when switch is installed in the case,switch can close by self-locked device.
8.CONPONETS TYPE
| Name |
Type |
Note |
| Aux plug |
HS |
|
| Ground terminal |
SL |
used for ground connection |
| Zero terminal |
N |
used for connection zero |
| Back terminal |
AK |
used for panel,back connect |
| Cold pressure terminal |
UT4 |
used for 25A switch connect |
| UT6 |
used for 32A¡¢40A switch protect |
| Protection musk |
KA |
used for low volt unbutton |
| Sealed operating musk |
ZT |
used for panel sealed case |
| Operating key with lock |
NA |
used for panel,sealed case |
Indicator (red¡¢green) |
MS2 |
220V used for panel sealed case switch |
| MS3 |
380V used for panel sealed case switch |
| card type panel |
SP |
used for card rail mount |
| Low volt unbutton |
UA |
used for voltage protection |
| separating unbutton |
AA |
used for signal control breaker |
| plastic panel socket |
FJ |
IP41 used for panel mount |
Plastic sealed socket (For base switch) |
GJ |
IP41 used for single unit contrd |
| IP65 used for single unit contrd |
Big plastic sealed case (Permit with UA Switch) |
GL |
IP41 used for single unit contrd |
| IP65 used for single unit contrd |
| Open door breaker |
V81 |
used for electrial case protection |
| Cable sealed cork |
SV |
used for sealed mount case |
| tube sealed cork |
SH |
used for sealed mount case |
| sealed cork |
VS |
used sealed mount case | (1)Cable input sealed cork,used for XE type 3¡Á2.5+1¡Á2.5 copper core rubber insaluting protection musk power cable or XL V type 3¡Á2.5aluminium core rubber insaluting protecting power cable. (2)Snake skin tube inport sealed cork,used for¦µ8SP3 Zinc-plating metal plastic tube.
Componets type for you
| Name |
Type |
Note |
| Lock device |
AV |
used for panel,sealed case |
| Monitoring window |
AL |
used for wall socket |
| Signal lamp |
ME |
used for sealed case cork |
| Aluminium alley socket |
FG |
IP55 |
| Aluminium alley case |
GG |
IP65 |
| Input type case |
UP |
used for wall mount |
| Stripe transfer |
SA1 |
single M611 switch |
| SA2 |
single M611 switch + contactor |
9.INSTAL WAY
| Ways |
Parts needed |
Parts may be mounted |
Base switch IP20 screw mount ZXM4 |
HS |
SL¡¢N¡¢UA(KA) or AA or V81 |
| Stripe type IP20 |
HS+SP |
SL¡¢N¡¢UA(KA) or AA or V81 |
| Panel mount |
IP41 |
HS+FJ |
MS¡¢UA¡¢NA¡¢V81¡¢AK |
| IP55 |
HS+FJ+ZT |
| Plastic sealed mount |
IP41 |
HS+GJ |
SL¡¢N¡¢NA¡¢SV¡¢SH¡¢VS |
| IP65 |
HS+GJ+ZT |
| Big plastic sealed case |
IP41 |
HS+GL |
UA¡¢SL¡¢N¡¢NA¡¢SV¡¢SH¡¢VS |
| IP65 |
HS+GL+ZT | 
 |